Jump to content

pan kura

Member
  • Posts

    167
  • Joined

  • Last visited

  • Days Won

    2

Everything posted by pan kura

  1. Rozjazdy 1/2, 3/5, 4, 7, 22, 26, 27/28, 29/30 nie powinny mięć pokrywki nad suwakami napędu zwrotnicy
  2. Nowe sygnalizatory = New signalboxes High quality translation 😎
  3. A proszę bardzo. Wyedytowałem wiadomość tak, aby Pan miał pewność, że live w 3/4 obejrzałem, a rzeczy na które się powołuję zostały uzupełnione źródłami z aktualnych instrukcji stosowanych na sieci PKP PLK 🙂
  4. Zapewniam cię, że kolega Robie Louda lepiej zna treść instrukcji zna niż szanowny pan powołujący się na eventy bez podstawowej wiedzy, a po obejrzeniu połowy zapisu z twojego live'a mogą wymienić następujące błędy, które popełniłeś: - Zbędne zastopowanie sem. E, F, N, O - Błędna treść telefonogramu zamykający tor szlakowy pomiędzy dwoma posterunkami zapowiadawczymi [Ir-1 § 53 ust. 4] - Brak jakiejkolwiek informacji dla siebie o zamknięciu toru nr. 1 na pulpicie nastawczym do 50'tej minuty live, czyli do ~połowy - Co to najniższy piorytet przelotu? (26:40)[https://youtu.be/GqF0-lfs4g4?t=1587] - Błędy telefonogram z zapytaniem o drogę dla 24139 [Ir-1 § 24 ust. 5] - "Proszę się nie pchać, aby nie blokować szlaku" - ??? jaki jest kontekst pod tym i co przez to mam rozumieć (30:15)[https://youtu.be/GqF0-lfs4g4?t=1811] - Mówienie maszynistom, że podasz przelot pomimo tego, że skład już się znajduje w stacji (32:03)[https://youtu.be/GqF0-lfs4g4?t=1923] - Brak informacji dla 24139 o jeździe po torze lewym (32:30)[https://youtu.be/GqF0-lfs4g4?t=1950] - Błędy telefonogram z zapytaniem o drogę dla 242239 + brak informacji o tym, iż jest to lokomotywa luzem [Ir-1 § 24 ust. 5 + § 24 ust. 13] - Błędne danie zgody Zawierciu na wypuszczenie 4136 [Ir-1 § 24 ust. 9] - Co to jest brak trakcji elektrycznej? (52:20)[https://youtu.be/GqF0-lfs4g4?t=3140] - Naużywanie radiotelefonu i zrzucanie tego na "witaj w PKP", zamiast przyznać, że tego i tego dnia o godz. xx:xx został ustalony jakiś event [Ir-5] - Brak zapytania i danie zgodny od Zawiecia na wyprawienie 14135, 14137 i 1439 [Ir-1 § 24 ust. 5 + § 24 ust. 9] - Brak informacji dla 14135, 14137 i 1439 o jeździe po torze lewym [Ir-5] - Namawianie maszynistów na przekraczanie prędkości rozkładowej i konstrukcyjnej lokomotyw (1:15:30)[https://youtu.be/GqF0-lfs4g4?t=4530] - Informacja o wyjeździe na konkretny numer toru NIE JEST informacją o wyjeździe na tor przeciwny do zasadniczego (1:29:00)[https://youtu.be/GqF0-lfs4g4?t=5335] Dalej nie byłem w stanie już obejrzeć, gdyż uszy więdną przez te pańskie wychwalanie się wiedzą, której nie ma. Następnym razem proszę przeczytać instrukcję o prowadzeniu ruchu kolejowym zanim się Pan będzie zabierał za organizowanie jakichkolwiek eventów @Krisu TV Cały zapis z eventu można obejrzeć z tego linku: https://youtu.be/GqF0-lfs4g4
  5. Zaciekawiłeś mnie, więc proszę przedstaw co jest takiego 'kompleksowego' w blokadzie typu C
  6. Ja tylko podrzucę od siebie podobny temat, w którym już padła odpowiedź 😉
  7. Link do źródła: 29/01/2023
  8. To był serwer Pl4 29/01/2023 około 12:00
  9. Dla pociągów parzystych i nieparzystych nie wyświetla się sygnał zezwalający na jazdę pomimo wolnego odstępu na szlakach Charasznica - Gajówka, Gajówka - Wolbrom. Żywy przykład tego, że na semaforze D pomimo wolnego dostępu i nastawionego kierunku nie ma sygnału zezwalającego na jazdę na sem. D
  10. Na APO Gajówka brakuje w sumie 6 liczników osi + 2 puszek kablowych Link do źródła: 29/01/2023
  11. @uetam A co z głównym założeniem mojego wątku. Jaki był powód wycofania w/w pulpitów na aktualnym wzorzec?
  12. Same USRK są bardzo ciekawe, nie ze względu na to, że są na suwakowych i scentralizowanych, a ze względu na samoczynność przebiegów co jest bardzo nietypowym rozwiązaniem, jeżeli chodzi o urządzenia mechaniczne. Przechodząc do odwzorowania w symulatorze to z tego co się z tydzień temu dowiedziałem, urządzenia mechaniczne scentralizowane jest nie są jeszcze na takim etapie, aby mogłyby zostać wsadzone do którejś z nastawni na lk.1 czy na lk. 62. O suwakowych nie ma nawet co mówić, gdyż jestem na 99% pewien, iż prace nad nimi w ogólnie nie zostały rozpoczęte... Z drugiej strony dręczy mnie myśl, dlaczego deweloperzy nie mówią otwarcie co jest w przygotowaniu i co społeczność może się podziewać w najbliższych tygodniach. Psuje to relacje pomiędzy graczem a deweloperem co później może przynieść negatywy dla samej gry.
  13. Witam wszystkich. W ostatnich dniach szperając po archiwalnych plikach, jakie trzymam na swoim komputerze, udało mi się natrafić na pewne zdjęcia, które przedstawiały USRK w symulatorze SimRail. W związku z tym postanowiłem udostępnić owe zdjęcia na czacie online, który z miesiąc temu został wbudowany w forum. Rozwinęła się mała rozmowa na ten temat, ale zadając pytanie aktywnemu w tym czasie Uetam'owi w tej sprawie dostałem brak jakiegokolwiek odzewu. W związku z powyższym chciałbym rozpocząć dyskusję ze społecznością w tej sprawie. równocześnie zadając pytanie deweloperom sym. SimRail co poszło nie tak, że tak ładnie odwzorowana imitacja Ebilock'a (porównując do rzeczywistego stanu) nie została ostatecznie wprowadzona do oficjalnego produktu. Dąbrowa Górnicza (sneak peek 2021) Dąbrowa Górnicza (Początek SimRail Playtests) Katowice Zawodzie (Początek SimRail Playtests) Sosnowiec Główny (2021 sneak peek) Katowice Zawodzie (2021 sneak peek). Ku mojemu zdziwieniu na MOR
  14. Wyjaśniając bardziej swoją myśl chodzi o to, że po wygaszeniu się sygnału zastępczego lampka kontrolna od NO2T się wygasza co jest poprawnym zachowaniem. Jednakże w tym samym czasie licznik od NO2T powinien wskoczyć na pozycję 00001 po wygaszeniu się lampki, ale tak się nie dzieje, co załączony film dobrze przedstawia.
  15. Chciałbym zaproponować inny system zdejmowania plomb na pulpitach przekaźnikowych. Obecny sposób jest bardzo wrażliwy z tego powodu, że jak wymknie ci się mysz, bądź omyłkowo wciśniesz lewy klawisz myszy to gra od razu zdejmuje plombę. Dlatego proponuję zamienienie aktualnego skrótu klawiszowego do zdejmowania plomb po najechaniu na kostkę z LMB na CTRL+RMB/CTRL+LMB w celu uniknięcia takich sytuacji i niepotrzebnych odpisów w dziennikach jeżeli ktoś takowe prowadzi. Edit 28.02.2024: Kombinacja SHIFT+LMB również jest akceptowalna
      • 2
      • I agree
      • Like
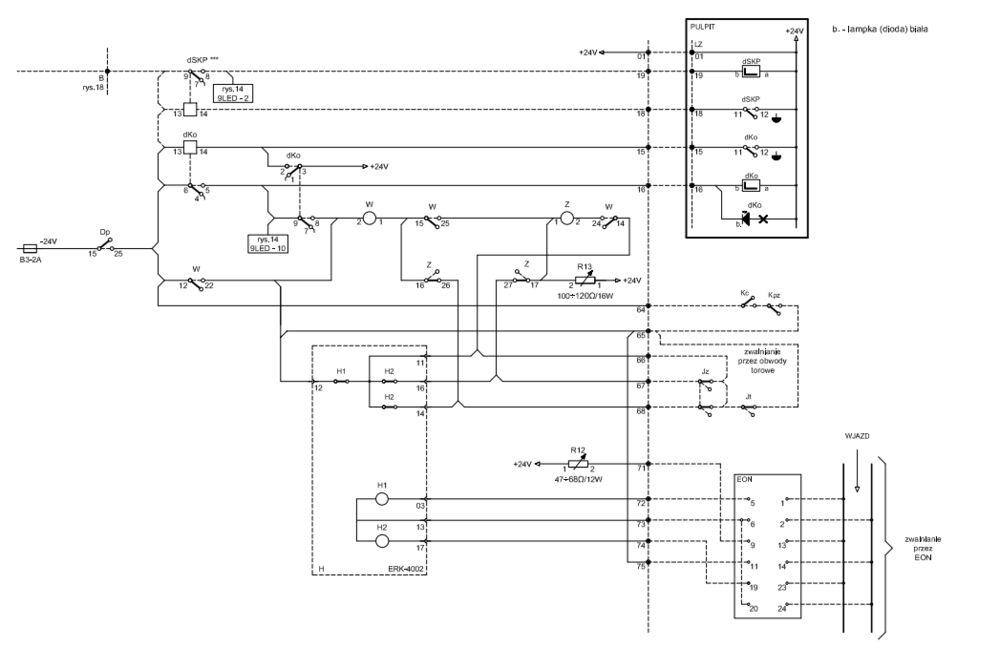
  16. Obwody elektryczne dKo nie są w żaden sposób powiązane z nastawioną drogą przebiegu. Dobrze to przedstawia ów schemat
  17. Screen recorder_01-23-2023_16-21-59-428.mp4 S-Pl3 23/01/2023
  18. Dodam od siebie jeszcze, że ten sam problem występuje na blokadzie typu C
  19. W rzeczywistości po wzbudzeniu kostki dKoT i najechaniu pociągu na izolacje JTT lampka kontrola kostki powinna się wygasić, a licznik powinien przeskoczyć na kolejną pozycję. Podpiero po zwolnieniu się izolacji JTT kostka z przyciskiem KoT się wzbudza umożliwiając zrzucenie blokady. Jadnakże w Simrail sekwencja doraźnego zbijanie bloku końcowego wygląda nieco innaczej, gdyż lampka kontrolna dKoT pozostaje zapalona, aż do wykorzystania Ko co jest błędem S-Pl3 22/01/2023
  20. Po wykorzystaniu przycisku dPo i potem użyciu przycisku Sz na pulpicie kostkowym blokada EAP wraca do stanu dania pozwolenia bloku początkowego. S - Pl3 Screen recorder_01-22-2023_15-58-8-750.mp4 22/01/2023
  21. Project 01_01-22-2023_15-17-5-824.mp4 Zakładam, że ten błąd dotyczy wszystkich pulpitów w grze wyposażonych w urządzenia przekaźnikowe typu E S - Pl3 22/01/2023
  22. Są to między innym kostki: Kr 6ab/7cd Iz 6ab/7cd (tu zabrakło Iz) Kr 22 Iz 22 Kr 51ab/53cd Iz 51ab/53cd Kr 53ab/54 Iz 53ab/54 Kr 57 Iz 57 Kr 58/Wk12 Iz 58/Wk12 Kr 60/Wk13 Iz 60/Wk13 Kr 59ab/61cd Iz 59ab/61cd Kr 64/65 Iz 64/65 Kr 66/67 Iz 66/67 S - Pl3 22/01/2023
  23. Kostka od stanu pracy przetwornicy blokowej nie reaguje na wzbudzenie przekaźników od przycisków Ko, Poz, Po S - Pl3 22/01/2023
×
×
  • Create New...

Important Information

Terms of Use Privacy Policy